HALF SLITTER
Features
These cutting tools make a slit halfway through laminated materials consisted of several substrates, particularly back slits in separators (backing paper) for tack paper. Edge height can be adjusted to the thickness of substrates to be processed.
Setting the edge height of half slitter
Make the edge cut through the separator by 5 µ to 10 µ.



76.2φ×6.2 
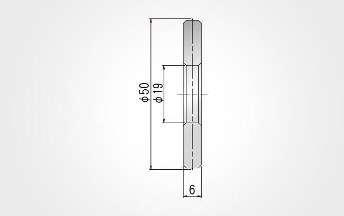
50φ×6 
48φ×6
Download brochure
- Continuous form tools catalogue
- PDF : 8.7MB
